ホーム
会社概要
当社の強み
製品情報
資料ダウンロード
よくある質問
動画集
ホーム
会社概要
当社の強み
製品情報
資料ダウンロード
よくある質問
動画集
製品情報
product
ホーム
製品情報
BTポンプ
BT-4000S/BT-6000S (吸排両用)
BT-4000S/BT-6000S (吸排両用)
仕様
BT-4000S
BT-6000S
電源電圧
[V]
AC100
電源周波数
[Hz]
50
60
50
60
最大流量
[L/min]
-2
-3.5
-3.5
-5
最大消費電力
[W]
4
4
4
4
騒音値
[dBA]
31
34
38
41
質量
[kg]
0.46
0.46
使用用途例
●オゾン発生装置
●アロマデュフューザー
●その他機器組込用
●床ズレ防止マット
●動物実験用麻酔器
性能曲線
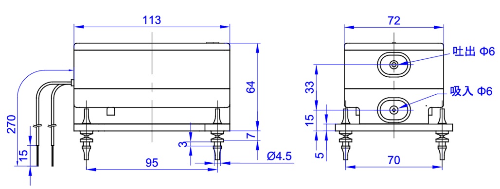
寸法図(単位:mm)
BT-4000S/BT-6000S
« 前へ
一覧へ戻る
次へ »
お気軽にお問い合わせください。